当前位置:首页 > 产品 > 真空干燥系列

真空干燥系列

DZLG系列单锥螺带真空干燥机

产品概述:单锥真空干燥机时一种搅拌型密闭式真空干燥机。它通过一个夹套加热的单锥真空密闭罐由搅拌浆不断翻动物料,使物料均匀受热,水份或溶剂得到蒸发,达到物料干燥的目的。该设备采用单锥型罐体设计,卫生级不锈钢制造,结构简单,操作方便。属批次型间隙干燥操作,清…
13806129793
在线咨询
返回列表
产品介绍

产品概述

  单锥真空干燥机时一种搅拌型密闭式真空干燥机。它通过一个夹套加热的单锥真空密闭罐由搅拌浆不断翻动物料,使物料均匀受热,水份或溶剂得到蒸发,达到物料干燥的目的。该设备采用单锥型罐体设计,卫生级不锈钢制造,结构简单,操作方便。属批次型间隙干燥操作,清洗无死角,是一种符合GMP要求的精烘包车间理想的干燥设备,广泛应用于制药、生物、化工、食品等行业得粉体,滤饼、结晶体及液体的浓缩、干燥、蒸发和溶剂回收的操作。

工作原理

  单锥真空干燥机所提供的是一种圆锥形螺带搅拌。整个螺线搅拌浆在自转的同时,螺带将物料不断提升、翻动、刮落,时罐内物料混合均匀,并均匀受热。蒸发的溶剂及水蒸气经过滤器除尘后真空系统进行冷凝回收后排放。

主要设备

  该干燥设备混合和干燥在同一容器内完成,提高了生产效率;采用夹套加热,降低了使用能耗;采用真空干燥形式,保证了传热和传质,特别适应热敏性和溶剂回收的粉粒体物料的干燥;结构简单,容易清洗,出料方便,符合GMP规范;提供多种搅拌形式及设备规格选配,可进行批次生产;也可进行冷却、杀菌、反应等操作。

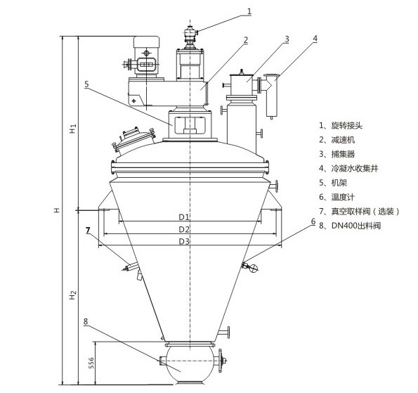
单锥螺带真空干燥机结构图

技术参数

型号\项目 单位 DZLG-500 DZLG-750 DZLG-1000 DZLG-1250 DZLG-1500 DZLG-2000 DZLG-3000 DZLG-4000
有效容积 L 500 750 1000 1250 1500 2000 3000 4000
全容积 L 650 800 1220 1600 1900 2460 3680 4890
加热面积 4.1 5.2 7.2 9.1 10.6 13 19 22
电机功率 KW 11 11 15 15 18.5 22 30 37
设备净重 KG 1350 1850 2300 2600 2900 3600 4100 4450
搅拌转速 rpm 50 45 40 38 36 36 34 32
设备总高 m 3565 3720 4165 4360 4590 4920 5160 5520
容器高度 H3 1455 1610 1965 2160 2300 2590 2380 3160
耳座高度 H4 895 995 1315 1480 1630 1860 1900 2240
锅身内宽 D2 1100 1200 1400 1500 1600 1750 2100 2100
安装耳座宽 D3 1270 1350 1560 1720 1900 2050 2400 2450

上一篇:不锈钢贮罐、配制罐

下一篇:没有了

在线留言反馈
感谢您访问我们的网站,您可以填写以下表单进一步了解我们的产品与服务,同时也非常欢迎您对我们提出宝贵的意见和建议。我们会对您的反馈尽快回复!
视频赏鉴
相关文章
  • 真空耙式干燥机应该如何正确选型

    真空耙式干燥机的型号多种多样,以下是一些常见的型号及其相关信息:3000L真空耙式干燥机:工作容积在1800~2100L之间,适用于多种…

  • 单锥双螺带真空干燥机交付

    近日,我们成功向一位客户交付了一台高效、稳定的单锥双螺带真空干燥机。这台设备采用了先进的技术和设计,旨在满足客户的特定干燥…

  • 车间实况:一批桨叶干燥机生产中

    一批楔形空心桨叶干燥机制作中,工人和技术人员在各自的岗位上忙碌着,佩戴防护眼镜,确保生产过程中的安全。按照工艺流程,一步步…

  • 振动流化床干燥机的特点及应用领域

    高效能源利用中的新型干燥利器:振动流化床干燥机全面分析振动流化床干燥技术近年来受到了工业干燥领域的广泛关注。相比与传统干燥…

  • 闪蒸干燥机如何处理粘性物料?

    闪蒸干燥机在处理粘性物料时,需要采取一系列特殊的措施来确保物料能够顺畅通过干燥机,并得到均匀的干燥效果。要控制好进料量,确…

13806129793
0519-86196879
13806129793@139.com
江苏省常州市天宁区劳动东路摇树村55-1号
微信联系
手机访问
工程案例

化工行业

环保行业

食品行业

农副产品

医药制品

新闻中心

公司新闻

行业动态

常见问答

产品中心

真空干燥系列

干燥设备系列

制粒设备系列

混合设备系列

粉碎设备系列

筛分设备系列

热源设备系列

除尘设备系列

其他设备系列

Copyright© 2024 常州力之群干燥设备有限公司 苏ICP备2024068158号 版权声明
苏公网安备32040202001065号
技术支持:江苏东网科技
Copyright© 2024 常州力之群干燥 版权声明
苏公网安备32040202001065号
Top